|
|
|
|
| 磁浮子液位开关-PG30: |
|
|
 |
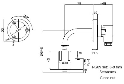
液位开关-参数:
使用介质: |
矿物油-燃料 |
安装: |
侧面 |
固定: |
法兰 |
管: |
黄铜 |
浮球: |
泡沫尼龙 |
Seeger: |
鳞状青铜 |
O-密封: |
NBR |
电气连接: |
DIN43650 |
插头连接形式: |
NO/NC(SPDT) |
开关最大功率: |
80 |
电流负载: |
1A(1A |
电压负载: |
250Vac(220Vac |
防护等级: |
IP65 |
动作方式: |
1B |
环境污染: |
正常 |
流体比重: |
>0.75 |
工作温度: |
-15/+80℃ |
重量: |
180 g(L=100mm) |
|
| 磁浮子液位开关-PG30: |
 |
| * 客户定制请注明(长度,温度〉80等)请联系我们的客户服务。For customized version (length, temperature > 80°C, etc.) please contact our Customer Service |
磁浮子液位开关-PG30 详细资料下载 |
|
|
| |